小编今天带大家走进法兰的世界!一起看看12种法兰的类型及密封面形式。 1、板式平焊法兰 板式平焊法兰(化工标准HG20592、国家标准GB/T9119、机械JB/T81)。 2、带颈平焊法兰 带颈平焊法兰属于国标法兰标准体系。是国标法兰(又称GB法兰)的其中一种表现形式,是设备或管道上常用的法兰之一。 3、带颈对焊法兰 带颈对焊法兰的密封面形式有:突面、凹面、凸面、榫面、槽面和全平面。 4、整体法兰 整体法兰是一种法兰的连接方式。也是属于带颈对焊钢制管法兰的一种。材质有碳钢、不锈钢和合金钢等。 5、承插焊法兰 承插焊法兰是一端与钢管焊接另一端用螺栓连接的的法兰。 6、螺纹法兰 螺纹法兰是将法兰的内孔加工成管螺纹,并和带螺纹的管子配套实现连接,是一种非焊接法兰。 7、对焊环松套法兰 对焊环松套法兰是可以活动的法兰片,一般是配套在给排水配件上,厂家出厂时伸缩节两端就各有一片法兰,直接与工程中的管道、设备用螺栓连接。 8、平焊环松套法兰 平焊环松套法兰盘是可以活动的法兰片。直接与工程中的管道、设备用螺栓连接。 9、法兰盖 也称盲板法兰、盲板。是中间不带孔的法兰,供封住管道堵头用。 10、衬里法兰盖 衬里法兰盖是一种盲板法兰,接近介质的一边堆焊不锈钢,为1个整体。衬里法兰盖用在有腐蚀性介质的管道上作盲板用。与普通法兰盖的区别是与介质接触面增加了防腐衬层。 11、美标带颈平焊法兰 带颈平焊法兰连接于管端。主要是使管子与管子相互连接的零件。带颈平焊法兰上有孔眼,可穿螺栓,使两法兰紧连,法兰间用衬垫密封。 12、美标带劲对焊法兰 美标法兰是使管子与管子相互连接的零件,连接于管端。美标对焊法兰由锻造而成和浇铸而成两种方法。
优点:取材方便、制造简单、成本低且使用广泛。
缺点:刚性较差,因此不得用于有供需、易燃、易爆和较高真空度要求的化工工艺配管系统和高度、极度危害的场合。
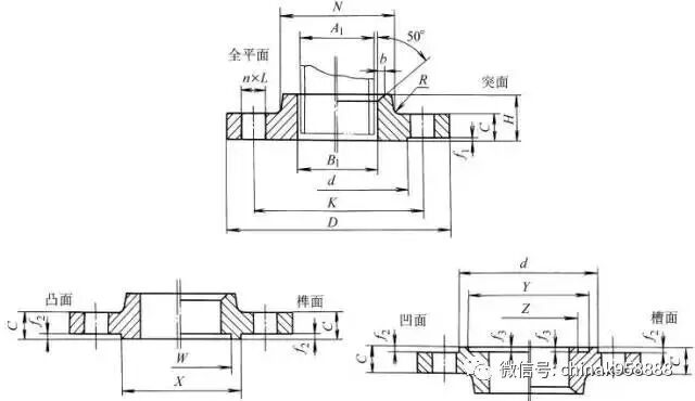
密封面型式有平面和突面。
优点:现场安装较方便,可省略焊缝拍揉伤的工序。
缺点:带颈平焊法兰颈部高度较低,对法兰的刚度、承载能力有所提高。与对焊法兰相比,焊接工作量大、焊条耗量高,经不起高温高压及反复弯曲和温度波动。
优点:连接不易变形,密封效果好,应用广泛,适用于温度或压力大幅度波动的管道或高温、高压及低温的管道,也用于输送价格昂贵介质、易燃易爆介质且有毒气体的管道上。
缺点:带颈对焊法兰的体积庞大、重量笨重、价格昂贵且安装定位很困难。因此在运输途中更容易磕碰。
在国内各个标准之中,用IF来表示整体法兰。多用于压力较高的管道之中。生产工艺一般为铸造。
在法兰类型中就是用一个“IF”来表示整体法兰的类型。
一般为突面(RF),如果在易燃、易爆、高度和极度危害的使用工况之中,则可以选用除了RF面之外的凸凹面(MFM)及榫槽面(TG)的密封面的形式。
密封面形式:突面(RF)、凹凸面(MFM)、榫槽面(TG)和环连接面(RJ)。
应用范围:锅炉压力容器、石油、化工、造船、制药、冶金、机械、冲压弯头食品等行业。常用于PN≤10.0MPa、DN≤40的管道中。
优点:它和平焊法兰或对焊法兰相比,螺纹法兰具有安装、维修方便的特点,可在一些现场不允许焊接的管线上使用。合金钢法兰有足够的强度,但不易焊接,或焊接性能不好,亦可选择螺纹法兰。
缺点:在管道温度变化急剧或温度高于260℃低于-45℃的条件下,建议不使用螺纹法兰,以免发生泄漏。
作用:使用对焊环松套法兰的目的一般是为了节省材料,其结构分成两部分,管子部分一头和管道接,一头做成对焊环。法兰盘采用低等级的材料,而管子部分使用和管道一样的材料,达到节省材料的目的。
优点:1、节约成本。当管材材质特殊、价格昂贵时,焊接同样材质的法兰成本高。2、不便于焊接或不便于加工或需要的强度大。如塑料管、玻璃钢管之类。3、便于施工。如连接时法兰螺栓孔对应不便于找正或者防止日后更换设备法兰螺栓孔有变等。
缺点:1、承受压力低。2、焊环处强度低(特别是厚度3mm以下时)。
使用平焊环松套法兰盘的目的一般是为了节省资料,其结构分成两部分,管子局部一头和管道接,一头做成翻边,法兰盘部分套在翻边上。
优点:1、方便于焊接或方便于加工或需要的强度大,如塑料管、玻璃钢管之类。2、便于施工,如连接时法兰螺栓孔对应方便于找正或者防止日后更换设备法兰螺栓孔有变等。3、价格高贵时,节约本钱。当管材材质特殊,焊接同样材质的法兰成本高。
缺点:接受压力低。焊环处强度低(特别是厚度3mm以下时)。
作用与焊接封头及丝扣管帽是一样的,只不过盲板法兰和丝扣管帽可以随时卸下来,而焊接封头则不行。
法兰盖密封面:平面(FF)、突面(RF)、凹凸面(MFM)、榫槽面(TG)和环连接面(RJ)。

垫片放在两法兰密封面之间,拧紧螺母后,垫片表面上的比压达到一定数值后产生变形,并填满密封面上凹凸不平处,使联接严密不漏。法兰联接是一种可拆联接。按所联接的部件可分为容器法兰及管法兰。带颈平焊法兰适用于公称压力不超过2.5MPa的钢管道连接。
带颈平焊法兰用于法兰与管子的对口焊接,其结构合理,强度与刚度较大,经得起高温高压及反复弯曲和温度波动,密封性可靠。公称压力为0.25~2.5MPa的带颈平焊法兰采用凹凸式密封面。
美标对焊法兰根据带颈情况可以分为带颈美标对焊法兰和不带颈的美标对焊法兰。
美标对焊法兰由两个法兰盘加上法兰垫,用螺栓紧固在一起,完成了连接。美标法兰上有孔眼,螺栓使两法兰紧连,法兰间用衬垫密封。
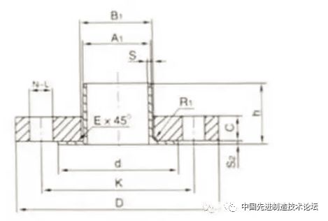
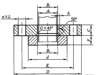
图表详解


微信客服